- Accueil
- Moto
- Equipement Moto
- Pots d'échappements
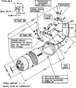
- LeoVince MBK Nitro 50/Yamaha Aerox 50 bis 99 / Malaguti F15 96-98 – Touring
LeoVince MBK Nitro 50/Yamaha Aerox 50 bis 99 / Malaguti F15 96-98 – Touring
Informations complémentaires
Caractéristiques Techniques
- Note d'homologation
- Non homologué

